MLC304 S-type packing scale weighing sensor, 1t-20t, alloy steel/stainless steel, for packing, batching, crane scales and tension compression tests.
Model: MLC304
Category: Tension load cell
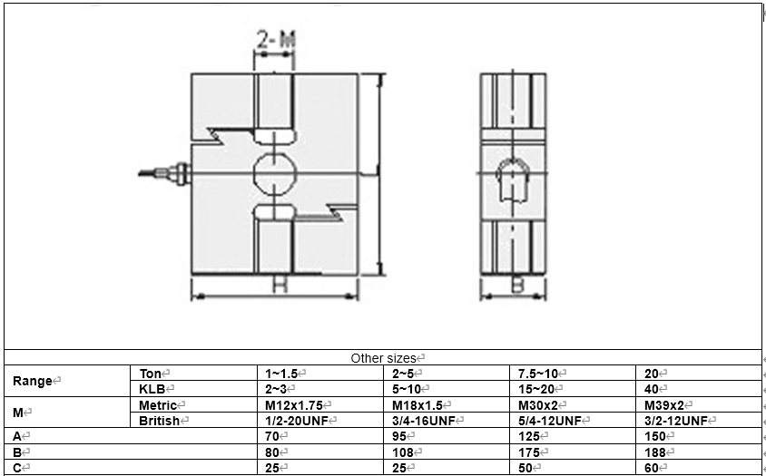
Range: 1t,1.5t,2t,5t,7.5t,10t,20t
Dimension: 70x80x25/95x108x25/125x175x50/150x188x60mm
Material: Alloy steel,stainless steel
Application: truck scale weight sensor,hanging scales weight sensor,crane scales weight sensor
| Technical specifications | |||
| Comprehensive error: | 0.03%FS | Output resistance: | 350±5Ω |
| Rated output: | 2±0.002mv/v | Insulation resistance: | ≥5000MΩ(100VDC) |
| Nonlinearity: | 0.03%FS | Operating Voltage: | 9~12VDC |
| Lag: | 0.03%FS | Compensation temperature: | -10~+40ºC |
| Repeatability: | 0.02%FS | Operating temperature: | -20~+65ºC |
| Creep: | 0.03%FS/10Min | Effect of Temp. on zero point: | 0.03%FS/10ºC |
| Zero balance: | ±1%FS | Effect of Temp. on sensitivity: | 0.02%FS/10ºC |
| Input resistance: | 350±5Ω | Protection level: | IP66 |


MANYYEAR TECHNOLOGY














